Společnost PENN - ELCOM je jedním z největších světových výrobců komponentů pro výrobu přepravních obalů (case) a příslušenství. V sortimentu naleznete výrobní materiál, rackové profily, rohy, úhelníky, zámky, panty, držadla, příslušenství pro reproboxy, misky, kolečka, gumové nožky a výplně.
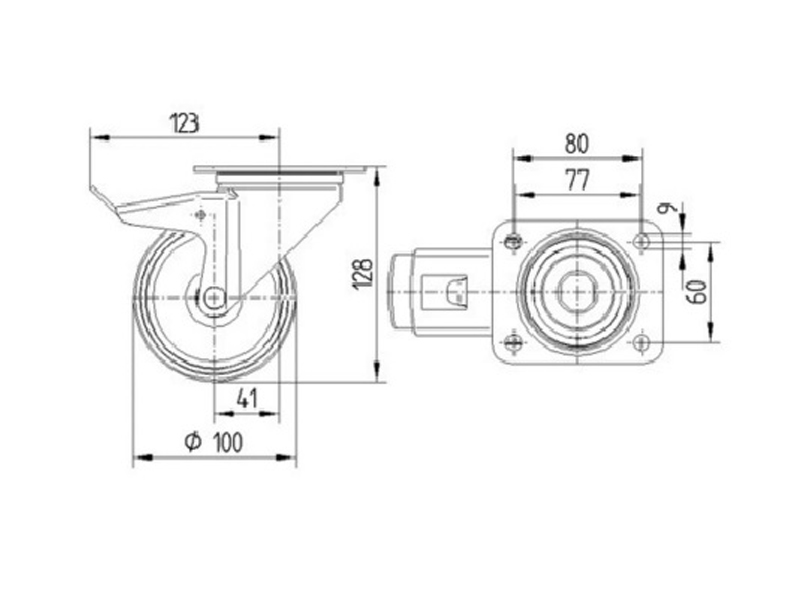
Otočné kolečko TENTE s totální brzdou v zadní části kola, vidlice kolečka vyrobena z ocelového výlisku, pozinkováno, dvouřadá kuličková dráha v otočné hlavě, kolo uchyceno šroubem a matkou, protivláknový kryt, uchycení s plotýnkou. Střed kola vyroben z polyamidu, běhoun: elastická guma, modré - neznačkující, jehlové ložisko.

