Společnost PENN - ELCOM je jedním z největších světových výrobců komponentů pro výrobu přepravních obalů (case) a příslušenství. V sortimentu naleznete výrobní materiál, rackové profily, rohy, úhelníky, zámky, panty, držadla, příslušenství pro reproboxy, misky, kolečka, gumové nožky a výplně.
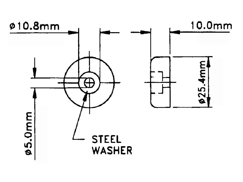
Gumová noha s kovovou podložkou 25x10 mm.

